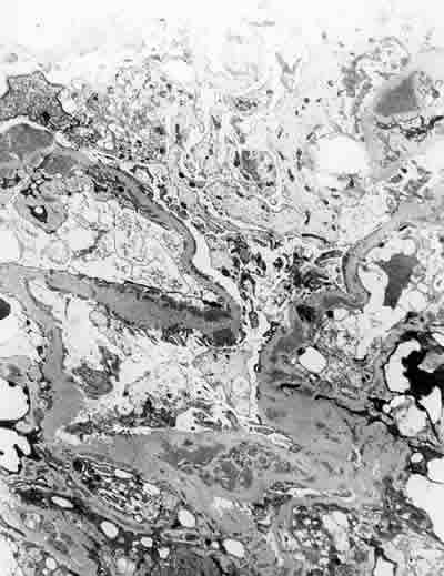
Fig. 10. Microscopia electrónica: extensos depósitos, electrón densos, de localización subendotelial y mesangial. Muy aislados subepiteliales.